某承包商承接某工程,占地面积1.63万m2,建筑层数地上22层,地下2层,基础类型为桩基筏式承台板,结构形式为现浇剪刀墙,混凝土采用商品混凝土,强度等级有C25、C30、C35、C40级,钢筋采用HRB335。屋面防水采用SBS改性沥青防水卷材,外墙面喷涂,内墙面和顶棚刮腻子喷大白,屋面保温采用憎水珍珠岩,外墙保温采用聚苯保温板,根据要求该工程实行工程监理。
下列不是施工现场固体废物的处理方式有()。 回收利用。 减量化处理。 稳定和固化。 焚烧。
3ds max可通过专门的()来控制一个粒子系统和场景之间的交互作用。 时间变换。 空间变换。 场景变换。 以上说法都不正确。
具备独立施工条件并能形成独立使用功能的建筑物或构筑物为一个() 主体工程。 单位工程。 分部工程。 分项工程。
一国两制
K5B计算机联锁系统,控显双机与()的两重系,通过光分路器构成交叉互连的冗余关系。
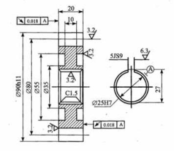
读下面齿轮的视图,下列表述错误的是()。
